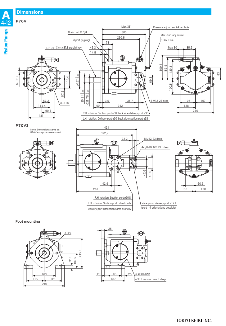
ТОКИО КЕИКИ П16В П16ВМ П21ВМ П16В П21В П31В П40В П70В П100В П130В серија клипне пумпе ниске буке променљивог помераја (F11)-П16V-() MC-10-J ( F11)-P70V(3) (F)R-(2)(C)22-CMC-10-J
Ова серија пумпи нуди низак ниво буке, високе перформансе и поузданост са различитим функцијама за брзу реакцију и стабилност са разним контролама као што су електрична директна контрола, контрола компензатора притиска и детекција оптерећења. Доступне су и конфигурације двоструке пумпе које задовољавају потребе система. Ове пумпе су идеалне за потребе купаца за уштедом енергије, великом брзином и ниском буком. Хидраулични флуидИзоставите: флуид на бази минералног уља Ф11: флуид на бази воденог гликола


|
ТОКИО КЕИКИ П16ВМ П21ВМ П16В П21В П31В П40В П70В П100В П130В серија Клипне пумпе са малом буком променљиве запремине (F11)-P16V-(F)RS(G)-11-CMC-10-J (F11)-P70V(3)(F)R-(2)(C)22-CMC-10-J |







Popularne oznake: токио кеики п16в п16вм п21вм п16в п21в п31в п40в п70в п100в п130в серија клипних пумпи ниске буке варијабилне запремине (f11)-п16v-(fs c-10-j ( f11)-p70v(3)(f)r-(2)(c)22-cmc-10-j












